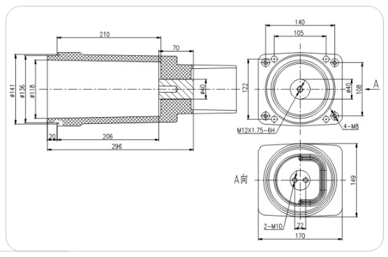
产品名称:17.5kV触头盒

产品型号:CHZ01-17.5

额定电流:630A

产品设计图:

1-3.jpg


产品咨询