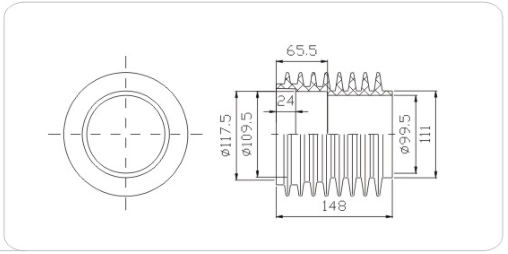
产品名称:绝缘筒触臂套管

产品型号:CTZ01-40.5

额定电压:40.5kV


Product design drawing:

20200328173740746.jpg

Product consultation