Language
Current Location:Home Page >Products >40.5kV insulation parts series >40.5kV insulator series
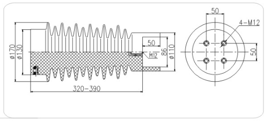
产品名称:绝缘子
产品型号:ZJ213-40.5
额定电压:40.5kV
Product design drawing: