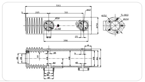
产品名称:24kV绝缘筒

产品型号:JTZ01-24

额定电流:1250A


Product design drawing:

20200328170707204.jpg

Product consultation