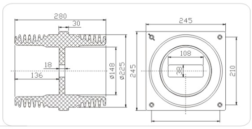
产品名称:套管

产品型号:TGZ03-24

额定电压:24kV


Product design drawing:

20200328165427551.jpg

Product consultation