Language
Current Location:Home Page >Products >24kV insulation parts series >24kV bushing series
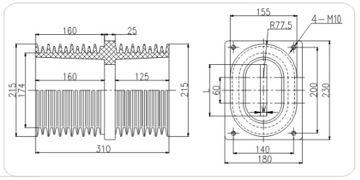
产品名称:套管
产品型号:TGZ02-24
额定电压:24kV
Product design drawing: