Language
Current Location:Home Page >Products >3.6-12kV insulation parts series >12kV insulation tube series
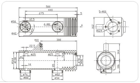
产品名称:绝缘筒
产品型号:JTZ02-12
额定电流:1250A
Product design drawing: