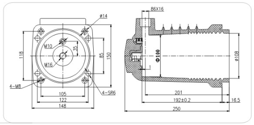
产品名称:12kV触头盒

产品型号:CHZ318-12

额定电流:630~1250A



Product design drawing:

20200328163403530.jpg

Product consultation