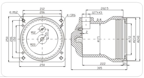
产品名称:12kV触头盒

产品型号:CHZ308-12

额定电流:≤3150A


Product design drawing:

20200328162826347.jpg

Product consultation