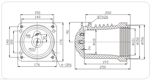
产品名称:12kV触头盒

产品型号:CHZ302-12

额定电流:1250A~1600A


Product design drawing:

20200328162344449.jpg

Product consultation