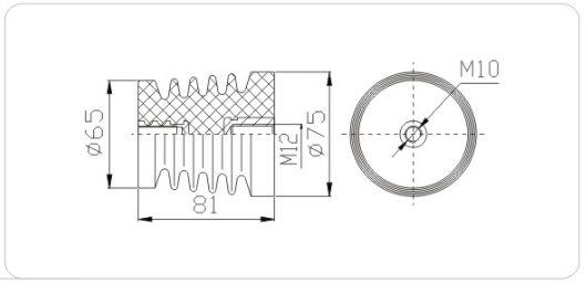
产品名称:绝缘子

产品型号:ZJ114-12

额定电压:3.6~12kV


Product design drawing:

20200328154444585.jpg

Product consultation